山东谦诚工贸科技有限公司环境信息公开(2021年11月)
2021-11-29 来自: 山东谦诚工贸科技有限公司 浏览次数:541
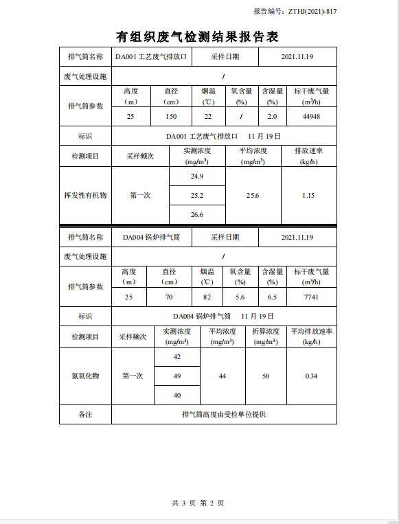
2021年11月份山东谦诚工贸科技有限公司环境监测报告公开·········································································




下一条 :
2021年山东谦诚工贸科...
2021年11月份山东谦诚工贸科技有限公司环境监测报告公开·········································································



