山东谦诚工贸科技有限公司
首页
关于我们
企业文化
产品展示
三氯吡啶醇钠
2-氯吡啶
2,6-二氯吡啶
四氯吡啶
资质荣誉
新闻动态
人才招聘
联系我们
首页
关于我们
企业文化
产品展示
三氯吡啶醇钠
2-氯吡啶
2,6-二氯吡啶
四氯吡啶
资质荣誉
新闻动态
人才招聘
联系我们
您当前的位置:
首页
>
新闻动态
>
新闻动态
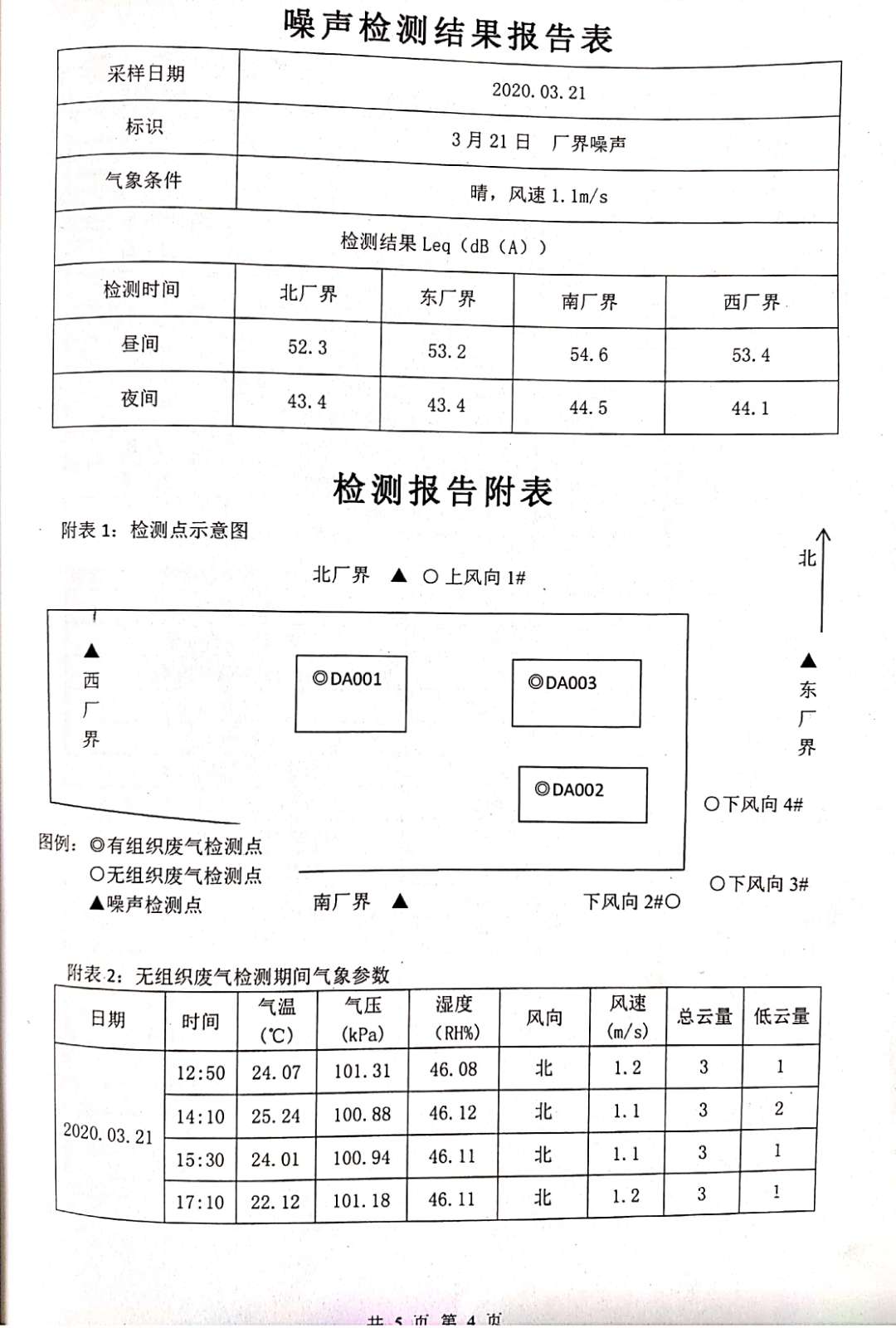
山东谦诚工贸科技有限公司环境信息公开(2020年3月)
2020-04-04
来自: 山东谦诚工贸科技有限公司
浏览次数:701
上一条 :
山东谦诚工贸科技有限公司...
下一条 :
山东谦诚工贸科技有限公司...
关键词:
VOCs
产品展示
三氯吡啶醇钠
2-氯吡啶
四氯吡啶
五氯吡啶
产品展示
三氯吡啶醇钠
2-氯吡啶
四氯吡啶
五氯吡啶
新闻动态
2021年山东谦诚工贸科技有限危险废物管理计划
山东谦诚工贸科技有限公司土壤、地下水检测公开
山东谦诚工贸科技有限公司2023年5月份环境监测信息公开
山东谦诚工贸科技有限公司2023年7月份环境监测信息公开
山东谦诚工贸科技有限公司2023年4月份环境监测信息公开
查看更多
猜你喜欢
山东谦诚工贸科技有限公司环境信息公开(2020年2月)
山东谦诚工贸科技有限公司环境信息公开(2020年11月)
山东谦诚工贸科技有限公司环境信息公开(2019年4月)
山东谦诚工贸科技有限公司环境信息公开(2019年2月)
相关资讯
更多>>
山东谦诚工贸科技有限公司环境信息公开(2020年7月)
山东谦诚工贸科技有限公司环境信息公开(2019年5月)
山东谦诚工贸科技有限公司环境信息公开(2019年4月)
山东谦诚工贸科技有限公司危险废物突发环境事件应急预案信息公开
电话咨询
短信咨询
留言咨询
查看地图